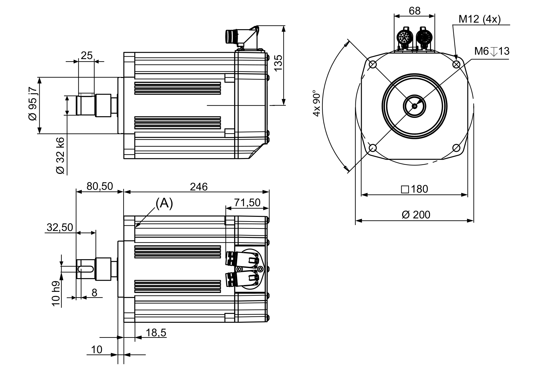
ABB機器人外部軸伺服電機MU400 MUGU-516367 3HAC040658-002

重量:23.8kg
尺寸:38*22*25cm
規格:石墨白4920W/10Nm
產地:中國
應用舉例:IRB6700機器人配置MU400伺服電機作導軌




ABB機器人對外軸的控制參數的調整的基本步驟
① 完成外軸的硬件安裝,如電機的安裝,SMB盒的安裝等;
② 向機器人控制器內加載外軸的臨時參數文件;
③ 對加載的臨時參數進行修改和配置,保證機器人此時能夠控制電機的轉動;
④ 如果客戶需要對電機有額外的設置,如抱匝、使能和里控制等,需要額外的配置和設置;
⑤ 等所有的參數設置都完成后開始電機參數的調整。
長科企業囤備的外部軸伺服電機型號:MU 80, MU 100, MU 200, MU 250, MU 300, MU 400,MTD 250, MTD 500, MTD 750, MTD 2000, MTD 5000,MID 500, MID 1000
Tags: